





Các công đoàn bằng thép không gỉ, còn được gọi là kết hợp liên minh hoặc liên kết ống có ren. Liên minh nam-nữ bằng thép không gỉ với các kết nối có ren nữ ở một bên và nam ở đầu bên kia bằng đai ốc ở giữa. Nó cung cấp một cách dễ dàng để kết nối hai đường ống mà không cần phải xoay đường ống. Các loại công đoàn này được sử dụng để bảo đảm kết nối bán vĩnh viễn giữa hai đường ống.
Sự kết hợp bằng thép không gỉ được làm từ ba phần, nó bao gồm hai đường ống được kết nối với nhau thông qua một mảnh thứ ba. Nó có chức năng bổ sung so với một cặp đôi thông thường. Rất thuận tiện để cài đặt và tháo rời, và với tính linh hoạt mạnh mẽ, có thể truy cập vào dòng của bạn mà không cần kết nối đường ống.
Được làm từ thép không gỉ chống ăn mòn, sự kết hợp giả mạo này đảm bảo tính toàn vẹn cấu trúc tuyệt vời trong các ứng dụng áp suất cao và cung cấp độ tin cậy và độ bền. Việc xây dựng gồ ghề và tuân thủ các tiêu chuẩn công nghiệp của nó làm cho nó trở thành lựa chọn đầu tiên cho các ứng dụng yêu cầu hiệu suất đáng tin cậy dưới áp lực.
Giới thiệu
| Mục | Liên minh thép không gỉ |
| Tiêu chuẩn | ASTM, DIN, JIS, ISO, GB tiêu chuẩn |
| Vật liệu | Thép không gỉ 304/316L |
| Bề mặt | Đầm cát |
| Kiểu | Dàn diễn viên |
| kích cỡ | 1/8 "-3" |
| Thời gian giao hàng | Trong vòng 5-30 ngày sau khi nhận được tiền trả trước |
| Đóng gói | Vỏ gỗ |
| Ứng dụng | Cấp nước, Dầu khí, Bảo vệ Môi trường, Công nghiệp Hóa chất, Thực phẩm, Điện, Xây dựng, Nước thải, |
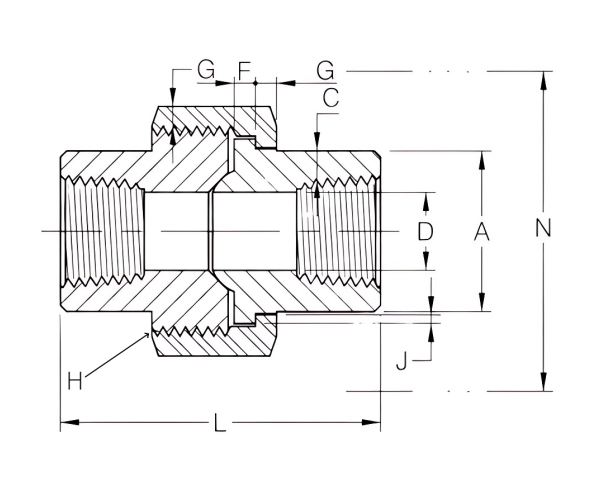
| NPS | MỘT | C | D (Max) | D (tối thiểu) | F | G | H (Thrds/in) | J (phút) | L | N |
| 1/8 " | 14.7 | 2.41 | 8.43 | 6.34 | 3.18 | 3.18 | 16 | 1.24 | 41.4 | 50.8 |
| 1/4 " | 19 | 3.02 | 11.13 | 9.45 | 3.18 | 3.18 | 16 | 1.24 | 41.4 | 50.8 |
| 3/8 " | 22.9 | 3.2 | 14.27 | 13.51 | 3.43 | 3.43 | 14 | 1.37 | 46 | 55.9 |
| 1/2 " | 27.7 | 3.73 | 17.86 | 17.07 | 3.68 | 3.68 | 14 | 1.5 | 49 | 58.4 |
| 3/4 " | 33.5 | 3.91 | 23.01 | 21.39 | 4.06 | 4.06 | 11 | 1.68 | 56.9 | 66 |
| 1 " | 41.4 | 4.55 | 28.98 | 27.74 | 4.57 | 4.45 | 11 | 1.85 | 62 | 78.7 |
| 1 1/4 " | 50.5 | 4.85 | 37.69 | 35.36 | 5.33 | 5.21 | 10 | 2.13 | 71.1 | 94 |
| 1 1/2 " | 57.2 | 5.08 | 43.54 | 41.2 | 5.84 | 5.59 | 10 | 2.31 | 76.5 | 111.8 |
| 2 " | 70.1 | 5.54 | 55.58 | 52.12 | 6.60 | 6.35 | 10 | 2.69 | 86.1 | 132.1 |
| 2 1/2 " | 85.3 | 7.01 | 66.27 | 64.31 | 7.49 | 7.11 | 8 | 3.07 | 102.4 | 149.9 |
| 3 " | 102.4 | 7.62 | 88.25 | 77.27 | 8.26 | 8.00 | 8 | 3.53 | 109 | 175.3 |
Được thành lập vào năm 2007 và chuyển đến Khu phát triển kinh tế Longyou, tỉnh Chiết Giang, vào năm 2022. Nó có diện tích 130.000 mét vuông, hơn 30 dây chuyền sản xuất, 300 công nhân, 20 người R & D, 30 người kiểm tra và sản lượng hàng năm là 50.000 tấn.
Nó đã thông qua hệ thống quản lý chất lượng ISO9001: 2008, PED 97/23/EC Chứng nhận Chỉ thị Thiết bị áp lực EU, Giấy phép sản xuất thiết bị đặc biệt Trung Quốc (ống áp lực) Chứng nhận TS, Chứng nhận ASME, Hệ thống quản lý tiêu chuẩn hóa doanh nghiệp của tỉnh, Sổ đăng ký vận chuyển của Anh (LR), Deutsche Veritas (GL), Hiệp hội Veritas (BV) của Cục Veritas (BV), Det Norske Veritas (DNV) và Chứng nhận Nhà máy Đăng ký Vận chuyển (KR) của Hàn Quốc.
Các sản phẩm chính bao gồm ống thép không gỉ, phụ kiện đường ống, mặt bích, van, v.v., được sử dụng rộng rãi trong dầu mỏ, công nghiệp hóa học, công nghiệp hạt nhân, luyện kim, đóng tàu, dược phẩm, thực phẩm, bảo tồn nước, năng lượng điện, năng lượng mới, thiết bị cơ học, và các lĩnh vực khác. Công ty tuân thủ nguyên lý của công ty "Chất lượng sinh tồn, danh tiếng phát triển" và hết lòng phục vụ mọi khách hàng để tạo ra một tình huống có lợi.





Mật độ khối lượng của thép nhẹ: Cơ bản và tầm quan trọng thực tế Mật độ khối lượng của thép nhẹ là đặc tính cơ bản ảnh hưởng trực tiếp đến cách các kỹ sư và nhà thiết kế xác định kích thước các ...
Xem thêmGiới thiệu về vật liệu thép hợp kim thấp Vật liệu thép hợp kim thấp là loại thép có chứa một tỷ lệ nhỏ các nguyên tố hợp kim, thường dưới 8%, ngoài carbon. Các nguyên tố này, chẳng hạn như crom,...
Xem thêmTổng quan - "trọng lượng trên mỗi inch khối" nghĩa là gì đối với thép không gỉ "Trọng lượng trên mỗi inch khối" chỉ đơn giản là khối lượng (tính bằng pound) của một inch khối vật liệu. Đối với t...
Xem thêmChúng tôi sẽ không bao giờ chia sẻ địa chỉ email của bạn và bạn
Có thể từ chối bất cứ lúc nào, chúng tôi hứa.