





Liên kết bằng thép không gỉ là một loại khớp chuyển tiếp thường được sử dụng trong chuyển đổi đường ống, được sử dụng để kết nối và ngắt kết nối đường ống của hai đường ống hoặc hệ thống đường ống. Bao gồm hai phần, phương pháp kết nối loại vòng này có thể được tháo rời nhanh chóng và dễ dàng, có lợi cho việc bảo trì đường ống, sửa chữa và các hoạt động khác.
Các công đoàn giả mạo được xây dựng bằng thép không gỉ để đảm bảo tính toàn vẹn cấu trúc trong các ứng dụng áp suất cao và cung cấp độ tin cậy và độ bền, nó phù hợp cho các môi trường và điều kiện làm việc khác nhau và phù hợp cho nhu cầu kết nối đường ống.
Các công đoàn bằng thép không gỉ được sử dụng rộng rãi trong các hệ thống đường ống áp suất thấp. Chúng thường được sử dụng trong các hệ thống đường ống trong hóa chất, dầu mỏ, chế biến thực phẩm, dược phẩm và các ngành công nghiệp khác. Chúng cũng được sử dụng để kết nối các đường ống, van, thiết bị hoặc các phụ kiện khác, phù hợp cho truyền tải trung bình ở nhiệt độ cao hoặc đặc biệt.
Giới thiệu
| Mục | Liên minh thép không gỉ |
| Tiêu chuẩn | 3A, DIN, SMS, IDF, BPE, BS, ISO |
| Vật liệu | Thép không gỉ |
| Bề mặt | CNC gia công |
| Kiểu | Đầu tư đúc đúc- Công nghệ bị mất sáp |
| kích cỡ | 1/8 "-3” |
| Thời gian giao hàng | Trong vòng 5-30 ngày sau khi nhận được tiền trả trước |
| Đóng gói | Co lại |
| Ứng dụng | Thực phẩm, đồ uống, hóa chất, dược phẩm, công nghệ sinh học, mỹ phẩm và các ngành công nghiệp khác trong lĩnh vực hệ thống đường ống thép không gỉ |
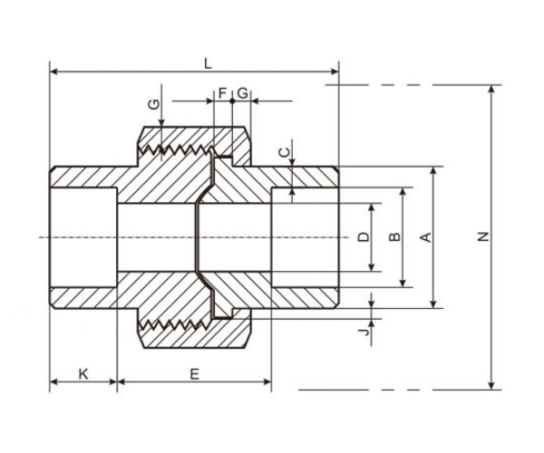
Kích thước tính bằng milimet
| NPS | Kích cỡ | MỘT | B | C | D (Max) | D (tối thiểu) | k | E | F | G | J (phút) | L | N |
| 1/8 " | 6 | 14.7 | 9.88 | 2.41 | 8.43 | 6.34 | 9.5 | 22.4 | 3.18 | 3.18 | 1.24 | 41.4 | 50.8 |
| 1/4 " | 8 | 19 | 12.96 | 3.02 | 11.13 | 9.45 | 9.5 | 22.4 | 3.18 | 3.18 | 1.24 | 41.4 | 50.8 |
| 3/8 " | 10 | 22.9 | 16.5 | 3.2 | 14.27 | 13.51 | 9.5 | 27 | 3.43 | 3.43 | 1.37 | 46 | 55.9 |
| 1/2 " | 15 | 27.7 | 20.24 | 3.73 | 17.86 | 17.07 | 9.5 | 30 | 3.68 | 3.68 | 1.5 | 49 | 58.4 |
| 3/4 " | 20 | 33.5 | 25.68 | 3.91 | 23.01 | 21.39 | 12.5 | 31.9 | 4.06 | 4.06 | 1.68 | 56.9 | 66 |
| 1 " | 25 | 41.4 | 32.3 | 4.55 | 28.98 | 27.74 | 12.5 | 37 | 4.57 | 4.45 | 1.85 | 62 | 78.7 |
| 1 1/4 " | 32 | 50.5 | 40.8 | 4.85 | 37.69 | 35.36 | 12.5 | 46.1 | 5.33 | 5.21 | 2.13 | 71.1 | 94 |
| 1 1/2 " | 40 | 57.2 | 47.04 | 5.08 | 43.54 | 41.2 | 12.5 | 51.5 | 5.84 | 5.59 | 2.31 | 76.5 | 111.8 |
| 2 " | 50 | 70.1 | 59.02 | 5.54 | 55.58 | 52.12 | 16 | 54.1 | 6.60 | 6.35 | 2.69 | 86.1 | 132.1 |
| 2 1/2 " | 65 | 85.3 | 71.28 | 7.01 | 66.27 | 64.31 | 16 | 70.4 | 7.49 | 7.11 | 3.07 | 102.4 | 149.9 |
| 3 " | 80 | 102.4 | 887.16 | 7.62 | 88.25 | 77.27 | 16 | 77 | 8.26 | 8.00 | 3.53 | 109 | 175.3 |
Được thành lập vào năm 2007 và chuyển đến Khu phát triển kinh tế Longyou, tỉnh Chiết Giang, vào năm 2022. Nó có diện tích 130.000 mét vuông, hơn 30 dây chuyền sản xuất, 300 công nhân, 20 người R & D, 30 người kiểm tra và sản lượng hàng năm là 50.000 tấn.
Nó đã thông qua hệ thống quản lý chất lượng ISO9001: 2008, PED 97/23/EC Chứng nhận Chỉ thị Thiết bị áp lực EU, Giấy phép sản xuất thiết bị đặc biệt Trung Quốc (ống áp lực) Chứng nhận TS, Chứng nhận ASME, Hệ thống quản lý tiêu chuẩn hóa doanh nghiệp của tỉnh, Sổ đăng ký vận chuyển của Anh (LR), Deutsche Veritas (GL), Hiệp hội Veritas (BV) của Cục Veritas (BV), Det Norske Veritas (DNV) và Chứng nhận Nhà máy Đăng ký Vận chuyển (KR) của Hàn Quốc.
Các sản phẩm chính bao gồm ống thép không gỉ, phụ kiện đường ống, mặt bích, van, v.v., được sử dụng rộng rãi trong dầu mỏ, công nghiệp hóa học, công nghiệp hạt nhân, luyện kim, đóng tàu, dược phẩm, thực phẩm, bảo tồn nước, năng lượng điện, năng lượng mới, thiết bị cơ học, và các lĩnh vực khác. Công ty tuân thủ nguyên lý của công ty "Chất lượng sinh tồn, danh tiếng phát triển" và hết lòng phục vụ mọi khách hàng để tạo ra một tình huống có lợi.





Mật độ khối lượng của thép nhẹ: Cơ bản và tầm quan trọng thực tế Mật độ khối lượng của thép nhẹ là đặc tính cơ bản ảnh hưởng trực tiếp đến cách các kỹ sư và nhà thiết kế xác định kích thước các ...
Xem thêmGiới thiệu về vật liệu thép hợp kim thấp Vật liệu thép hợp kim thấp là loại thép có chứa một tỷ lệ nhỏ các nguyên tố hợp kim, thường dưới 8%, ngoài carbon. Các nguyên tố này, chẳng hạn như crom,...
Xem thêmTổng quan - "trọng lượng trên mỗi inch khối" nghĩa là gì đối với thép không gỉ "Trọng lượng trên mỗi inch khối" chỉ đơn giản là khối lượng (tính bằng pound) của một inch khối vật liệu. Đối với t...
Xem thêmChúng tôi sẽ không bao giờ chia sẻ địa chỉ email của bạn và bạn
Có thể từ chối bất cứ lúc nào, chúng tôi hứa.