






Các khớp nối có ren có kênh thẳng và kết nối luồng bên trong. Chúng phù hợp cho các hệ thống đường ống trong nhiều ngành công nghiệp, được sử dụng để mở rộng đường ống, kết nối đường ống hoặc kết nối với các phụ kiện khác, thông qua kênh thẳng của khớp dây bên trong, để chất lỏng có thể đi qua khớp trơn tru.
Chúng có thể được sản xuất với nhiều loại thép, như carbon, mạ kẽm, không gỉ hoặc đen. Vì thép không gỉ có khả năng chống ăn mòn tuyệt vời và khả năng chống nhiệt độ cao và phù hợp cho việc vận chuyển và kiểm soát một loạt các phương tiện truyền thông, nó được coi là vật liệu tốt nhất và được sử dụng rộng rãi.
Không giống như các đầu nối phù hợp với đường ống khác, nó rất linh hoạt và có thể điều chỉnh. Khớp nối bằng thép không gỉ thường có các sợi và được sử dụng để kết hợp với phần ren của đường ống hoặc đường ống để đạt được sự buộc chặt và kết nối.
Khớp nối bằng thép không gỉ có kích thước dựa trên các nhu cầu và ứng dụng cụ thể. Các thông số kỹ thuật phổ biến bao gồm loại vật liệu, loại chỉ, kích thước luồng, đường kính ống, độ dài và xử lý bề mặt, v.v.
Giới thiệu
| Mục | Khớp nối bằng thép không gỉ |
| Tiêu chuẩn | ANSI B16.11, MSS SP 97, MSS SP 95, MSS SP 83, BS3799, ASTM A733, v.v. |
| Vật liệu | SS201, SS304/CF8, SS316/CF8M, v.v. |
| Bề mặt | Cnc gia công, dầu chống-x |
| Kiểu | Dàn diễn viên |
| kích cỡ | DN6-100 |
| Thời gian giao hàng | Trong vòng 5-30 ngày sau khi nhận được tiền trả trước |
| Đóng gói | Pallet/vỏ gỗ |
| Ứng dụng | Ngành công nghiệp hóa dầu; ngành hàng không và hàng không vũ trụ; Công nghiệp dược phẩm, khí thải khí đốt; nhà máy điện; Tòa nhà tàu; xử lý nước, vv. |
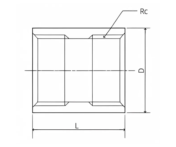
| Kích cỡ | Chủ đề | Kích thước (mm) | ||
| A (mm) | B (in) | RC | D | L |
| 6 | 1/8 | RC 1/8 | 15 | 23 |
| 8 | 1/4 | RC 1/4 | 19 | 29 |
| 10 | 3/8 | RC 3/8 | 22 | 30 |
| 15 | 1/2 | RC 1/2 | 27 | 36.5 |
| 20 | 3/4 | RC 3/4 | 33 | 38.5 |
| 25 | 1 | RC 1 | 40 | 43.5 |
| 32 | 1 1/4 | RC 1 1/4 | 49 | 49.5 |
| 40 | 1 1/2 | RC 1 1/2 | 55.5 | 52.5 |
| 50 | 2 | RC 2 | 68 | 62.5 |
| 65 | 2 1/2 | RC 2 1/2 | 83 | 73 |
| 80 | 3 | RC 3 | 97 | 81 |
| 100 | 4 | RC 4 | 125 | 93 |
Được thành lập vào năm 2007 và chuyển đến Khu phát triển kinh tế Longyou, tỉnh Chiết Giang, vào năm 2022. Nó có diện tích 130.000 mét vuông, hơn 30 dây chuyền sản xuất, 300 công nhân, 20 người R & D, 30 người kiểm tra và sản lượng hàng năm là 50.000 tấn.
Nó đã thông qua hệ thống quản lý chất lượng ISO9001: 2008, PED 97/23/EC Chứng nhận Chỉ thị Thiết bị áp lực EU, Giấy phép sản xuất thiết bị đặc biệt Trung Quốc (ống áp lực) Chứng nhận TS, Chứng nhận ASME, Hệ thống quản lý tiêu chuẩn hóa doanh nghiệp của tỉnh, Sổ đăng ký vận chuyển của Anh (LR), Deutsche Veritas (GL), Hiệp hội Veritas (BV) của Cục Veritas (BV), Det Norske Veritas (DNV) và Chứng nhận Nhà máy Đăng ký Vận chuyển (KR) của Hàn Quốc.
Các sản phẩm chính bao gồm ống thép không gỉ, phụ kiện đường ống, mặt bích, van, v.v., được sử dụng rộng rãi trong dầu mỏ, công nghiệp hóa học, công nghiệp hạt nhân, luyện kim, đóng tàu, dược phẩm, thực phẩm, bảo tồn nước, năng lượng điện, năng lượng mới, thiết bị cơ học, và các lĩnh vực khác. Công ty tuân thủ nguyên lý của công ty "Chất lượng sinh tồn, danh tiếng phát triển" và hết lòng phục vụ mọi khách hàng để tạo ra một tình huống có lợi.





Mật độ khối lượng của thép nhẹ: Cơ bản và tầm quan trọng thực tế Mật độ khối lượng của thép nhẹ là đặc tính cơ bản ảnh hưởng trực tiếp đến cách các kỹ sư và nhà thiết kế xác định kích thước các ...
Xem thêmGiới thiệu về vật liệu thép hợp kim thấp Vật liệu thép hợp kim thấp là loại thép có chứa một tỷ lệ nhỏ các nguyên tố hợp kim, thường dưới 8%, ngoài carbon. Các nguyên tố này, chẳng hạn như crom,...
Xem thêmTổng quan - "trọng lượng trên mỗi inch khối" nghĩa là gì đối với thép không gỉ "Trọng lượng trên mỗi inch khối" chỉ đơn giản là khối lượng (tính bằng pound) của một inch khối vật liệu. Đối với t...
Xem thêmChúng tôi sẽ không bao giờ chia sẻ địa chỉ email của bạn và bạn
Có thể từ chối bất cứ lúc nào, chúng tôi hứa.