





Khớp nối bằng thép không gỉ là một thiết bị kết nối trực tiếp hai ống hoặc ống mà không bị uốn cong hoặc thay đổi góc. Nó có hình dạng hình trụ và thường được làm bằng vật liệu bằng thép không gỉ, do đó nó có khả năng chống ăn mòn cao và khả năng chống nhiệt.
Khớp nối thẳng là phù hợp cho các hệ thống đường ống khác nhau, chẳng hạn như đường ống cấp nước, đường ống dẫn khí, đường ống sưởi, v.v. Chúng thường được sử dụng để nối các đường ống có kích thước khác nhau hoặc tạo ra một con dấu giữa hai đường ống. Họ cung cấp một điểm kết nối đáng tin cậy, đảm bảo hoạt động đúng của hệ thống đường ống và sự chuyển giao trơn tru của chất lỏng hoặc khí. Khớp nối bằng thép không gỉ có thể được sử dụng rộng rãi trong các đường ống có đường kính khác nhau, bao gồm thông qua, tee-pass, chéo, v.v. Do cấu trúc ổ cắm, chi phí của các khớp ống bị giảm.
Nó cực kỳ thuận tiện để cài đặt, sử dụng và duy trì, và nó cũng có khả năng phòng chống rò rỉ cực kỳ cao. Các tiêu chuẩn sản xuất chính là ASME 16.11 và vật liệu phổ biến Thép carbon A105, Thép không gỉ 304 và 316. Khớp nối thẳng bằng thép không gỉ chủ yếu phù hợp với các đường ống áp suất cao đòi hỏi áp lực cao trong ngành công nghiệp hóa dầu, phòng chống khí, phòng chống khí, phòng chống khí, phòng chống khí, phòng chống động, khí đốt, khí đốt, máy bay, khí đốt, công nghiệp, Khu vực áp lực.
Giới thiệu
| Mục | Thép không gỉ khớp nối thẳng |
| Tiêu chuẩn | ASME/ANSI B16.11 |
| Vật liệu | Thép không gỉ nói chung, thép không gỉ siêu gỉ, thép không gỉ song công (thép không gỉ ferritic-austenitic), thép không gỉ austenitic, thép không gỉ martensitic, thép không gỉ ferritic. vân vân. |
| Bề mặt | Đánh bóng |
| Kiểu | Đúc |
| kích cỡ | DN6-100 |
| Thời gian giao hàng | Trong vòng 5-30 ngày sau khi nhận được tiền trả trước |
| Đóng gói | Hộp bìa cứng, hộp gỗ dán |
| Ứng dụng | Hóa chất dầu mỏ, nhà máy lọc dầu, ngành công nghiệp dược phẩm, ngành công nghiệp thực phẩm & đồ uống, khử mặn nước biển, sản xuất giấy, ngành đóng tàu, năng lượng điện, ngoài khơi & dầu khí, công nghiệp khai thác, xử lý nước, sản xuất cơ học, phân bón hóa học, v.v. |
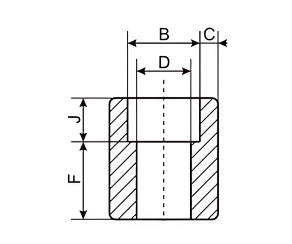
Kích thước tính bằng milimet
| Đường kính danh nghĩa | B | D | C | F | J | Kg | |
| DN | NPS | ||||||
| 6 | 1/8 " | 10.5 | 6.1 | 3.3 | 16 | 9.5 | 0.03 |
| 8 | 1/4 " | 14.5 | 8.5 | 3.8 | 16 | 9.5 | 0.05 |
| 10 | 3/8 " | 18.5 | 11.8 | 3.8 | 17.5 | 9.5 | 0.07 |
| 15 | 1/2 " | 22.5 | 15 | 4.8 | 22.5 | 9.5 | 0.13 |
| 20 | 3/4 " | 27.5 | 20.2 | 5.3 | 24 | 12.5 | 0.19 |
| 25 | 1 " | 34.5 | 25.9 | 5.8 | 28.5 | 12.5 | 0.30 |
| 32 | 1 1/4 " | 42.8 | 34.3 | 7.1 | 30 | 12.5 | 0.45 |
| 40 | 1 1/2 " | 48.8 | 40.1 | 6.6 | 32 | 12.5 | 0.50 |
| 50 | 2 " | 60.8 | 51.7 | 7.6 | 41 | 16 | 0.89 |
| 65 | 2 1/2 " | 77 | 61.2 | 7.5 | 43 | 16 | 1.35 |
| 80 | 3 " | 90.5 | 76.4 | 8.8 | 44.5 | 16 | 1.73 |
| 100 | 4 " | 115 | 100.7 | 12.5 | 48 | 16 | 3.14 |
Được thành lập vào năm 2007 và chuyển đến Khu phát triển kinh tế Longyou, tỉnh Chiết Giang, vào năm 2022. Nó có diện tích 130.000 mét vuông, hơn 30 dây chuyền sản xuất, 300 công nhân, 20 người R & D, 30 người kiểm tra và sản lượng hàng năm là 50.000 tấn.
Nó đã thông qua hệ thống quản lý chất lượng ISO9001: 2008, PED 97/23/EC Chứng nhận Chỉ thị Thiết bị áp lực EU, Giấy phép sản xuất thiết bị đặc biệt Trung Quốc (ống áp lực) Chứng nhận TS, Chứng nhận ASME, Hệ thống quản lý tiêu chuẩn hóa doanh nghiệp của tỉnh, Sổ đăng ký vận chuyển của Anh (LR), Deutsche Veritas (GL), Hiệp hội Veritas (BV) của Cục Veritas (BV), Det Norske Veritas (DNV) và Chứng nhận Nhà máy Đăng ký Vận chuyển (KR) của Hàn Quốc.
Các sản phẩm chính bao gồm ống thép không gỉ, phụ kiện đường ống, mặt bích, van, v.v., được sử dụng rộng rãi trong dầu mỏ, công nghiệp hóa học, công nghiệp hạt nhân, luyện kim, đóng tàu, dược phẩm, thực phẩm, bảo tồn nước, năng lượng điện, năng lượng mới, thiết bị cơ học, và các lĩnh vực khác. Công ty tuân thủ nguyên lý của công ty "Chất lượng sinh tồn, danh tiếng phát triển" và hết lòng phục vụ mọi khách hàng để tạo ra một tình huống có lợi.





Mật độ khối lượng của thép nhẹ: Cơ bản và tầm quan trọng thực tế Mật độ khối lượng của thép nhẹ là đặc tính cơ bản ảnh hưởng trực tiếp đến cách các kỹ sư và nhà thiết kế xác định kích thước các ...
Xem thêmGiới thiệu về vật liệu thép hợp kim thấp Vật liệu thép hợp kim thấp là loại thép có chứa một tỷ lệ nhỏ các nguyên tố hợp kim, thường dưới 8%, ngoài carbon. Các nguyên tố này, chẳng hạn như crom,...
Xem thêmTổng quan - "trọng lượng trên mỗi inch khối" nghĩa là gì đối với thép không gỉ "Trọng lượng trên mỗi inch khối" chỉ đơn giản là khối lượng (tính bằng pound) của một inch khối vật liệu. Đối với t...
Xem thêmChúng tôi sẽ không bao giờ chia sẻ địa chỉ email của bạn và bạn
Có thể từ chối bất cứ lúc nào, chúng tôi hứa.