





Khớp nối bằng thép không gỉ được gia công sau khi rèn các thỏi thép hoặc thép tròn. Mẫu kết nối của nó là hàn ổ cắm (Hàn ổ cắm-SW). Ống thép được chèn vào lỗ ổ cắm để hàn. Do đó, nó được gọi là "khớp nối thẳng bằng thép không gỉ.
Khớp nối thẳng bằng thép không gỉ về cơ bản có nghĩa là khi đường ống nhánh được kết nối với ống chính, nó được mở rộng qua khớp nửa ống để tạo điều kiện hàn, và sau đó đầu kia được kết nối với ống nhánh.
Khớp nối thẳng được sử dụng rộng rãi trong các đường ống có đường kính khác nhau, bao gồm tee, chéo, v.v., và cũng có thể được sử dụng cho đồng hồ nước và van. Do cấu trúc ổ cắm, khớp ống làm giảm chi phí và cực kỳ thuận tiện để cài đặt, sử dụng và duy trì. Nó có rất nhiều lợi thế, giống như một bề mặt mịn màng, không dễ bị ăn mòn, bảo trì bằng không và tuổi thọ dài. Nó cũng có khả năng phòng chống rò rỉ cực kỳ cao và có triển vọng thị trường tuyệt vời.
Ứng dụng: Sự phù hợp này là lý tưởng để tham gia hai đường ống chưa được đọc, nơi cần có độ bền kéo và độ bền cao. Được sử dụng rộng rãi trong xây dựng xây dựng, phòng tắm, nhà bếp, bồn rửa, phòng thí nghiệm, vv.
Giới thiệu
| Mục | Thép không gỉ khớp nối thẳng |
| Tiêu chuẩn | ANSI B16.11, MSS SP 97, MSS SP 95, MSS SP 83, BS3799, ASTM A733, v.v. |
| Vật liệu | Thép không gỉ |
| Bề mặt | Gia công CNC, dầu chống-Rust, HDG (Gal Dip nóng.) |
| Kiểu | Đúc |
| kích cỡ | DN6-100 |
| Thời gian giao hàng | Trong vòng 5-30 ngày sau khi nhận được tiền trả trước |
| Đóng gói | Thùng carton hoặc gỗ. Cũng có thể được tùy chỉnh theo yêu cầu của khách hàng |
| Ứng dụng | Ngành công nghiệp hóa dầu; ngành hàng không và hàng không vũ trụ; Công nghiệp dược phẩm, khí thải khí đốt; nhà máy điện; Tòa nhà tàu; xử lý nước, vv. |
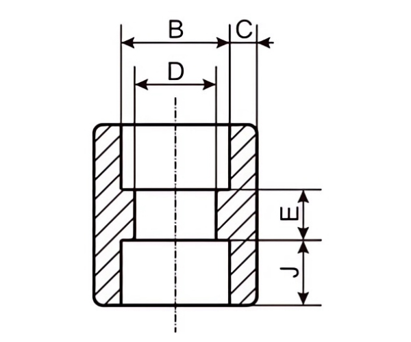
Kích thước tính bằng milimet
| Đường kính danh nghĩa | B | D | C | J | E | ||||||||
| DN | NPS | 3000lb | 6000lb | 9000lb | 3000lb | 6000lb | 9000lb | ||||||
| Ave | Tối thiểu | Ave | Tối thiểu | Ave | Tối thiểu | ||||||||
| 6 | 1/8 " | 10.9 | 6.1 | 3.2 | - | 3.18 | 3.18 | 3.96 | 3.43 | - | - | 9.5 | 6.5 |
| 8 | 1/4 " | 14.3 | 8.5 | 5.6 | - | 3.78 | 3.30 | 4.60 | 4.01 | - | - | 9.5 | 6.5 |
| 10 | 3/8 " | 17.7 | 11.8 | 8.4 | - | 4.01 | 3.50 | 5.03 | 4.37 | - | - | 9.5 | 6.5 |
| 15 | 1/2 " | 21.9 | 15.0 | 11.0 | 5.6 | 4.67 | 4.09 | 5.97 | 5.18 | 9.53 | 8.18 | 9.5 | 9.5 |
| 20 | 3/4 " | 27.3 | 20.2 | 14.8 | 10.3 | 4.90 | 4.27 | 6.96 | 6.04 | 9.78 | 8.56 | 12.5 | 9.5 |
| 25 | 1 " | 34.0 | 25.9 | 19.9 | 14.4 | 5.69 | 4.98 | 7.92 | 6.93 | 11.38 | 9.96 | 12.5 | 12.5 |
| 32 | 1 1/4 " | 42.8 | 34.4 | 28.7 | 22.0 | 6.07 | 5.28 | 7.92 | 6.93 | 12.14 | 10.52 | 12.5 | 12.5 |
| 40 | 1 1/2 " | 48.9 | 40.1 | 33.2 | 27.2 | 6.35 | 5.54 | 8.92 | 7.80 | 12.70 | 11.12 | 12.5 | 12.5 |
| 50 | 2 " | 61.2 | 51.7 | 42.1 | 37.4 | 6.93 | 6.04 | 10.92 | 9.50 | 13.84 | 12.12 | 16.0 | 19.0 |
| 65 | 2 1/2 " | 73.9 | 61.2 | - | - | 8.76 | 7.62 | - | - | - | - | 16.0 | 19.0 |
| 80 | 3 " | 89.9 | 76.4 | - | - | 9.52 | 8.30 | - | - | - | - | 16.0 | 19.0 |
| 100 | 4 " | 115.5 | 100.7 | - | - | 10.69 | 9.35 | - | - | - | - | 19.0 | 19.0 |
Được thành lập vào năm 2007 và chuyển đến Khu phát triển kinh tế Longyou, tỉnh Chiết Giang, vào năm 2022. Nó có diện tích 130.000 mét vuông, hơn 30 dây chuyền sản xuất, 300 công nhân, 20 người R & D, 30 người kiểm tra và sản lượng hàng năm là 50.000 tấn.
Nó đã thông qua hệ thống quản lý chất lượng ISO9001: 2008, PED 97/23/EC Chứng nhận Chỉ thị Thiết bị áp lực EU, Giấy phép sản xuất thiết bị đặc biệt Trung Quốc (ống áp lực) Chứng nhận TS, Chứng nhận ASME, Hệ thống quản lý tiêu chuẩn hóa doanh nghiệp của tỉnh, Sổ đăng ký vận chuyển của Anh (LR), Deutsche Veritas (GL), Hiệp hội Veritas (BV) của Cục Veritas (BV), Det Norske Veritas (DNV) và Chứng nhận Nhà máy Đăng ký Vận chuyển (KR) của Hàn Quốc.
Các sản phẩm chính bao gồm ống thép không gỉ, phụ kiện đường ống, mặt bích, van, v.v., được sử dụng rộng rãi trong dầu mỏ, công nghiệp hóa học, công nghiệp hạt nhân, luyện kim, đóng tàu, dược phẩm, thực phẩm, bảo tồn nước, năng lượng điện, năng lượng mới, thiết bị cơ học, và các lĩnh vực khác. Công ty tuân thủ nguyên lý của công ty "Chất lượng sinh tồn, danh tiếng phát triển" và hết lòng phục vụ mọi khách hàng để tạo ra một tình huống có lợi.





Mật độ khối lượng của thép nhẹ: Cơ bản và tầm quan trọng thực tế Mật độ khối lượng của thép nhẹ là đặc tính cơ bản ảnh hưởng trực tiếp đến cách các kỹ sư và nhà thiết kế xác định kích thước các ...
Xem thêmGiới thiệu về vật liệu thép hợp kim thấp Vật liệu thép hợp kim thấp là loại thép có chứa một tỷ lệ nhỏ các nguyên tố hợp kim, thường dưới 8%, ngoài carbon. Các nguyên tố này, chẳng hạn như crom,...
Xem thêmTổng quan - "trọng lượng trên mỗi inch khối" nghĩa là gì đối với thép không gỉ "Trọng lượng trên mỗi inch khối" chỉ đơn giản là khối lượng (tính bằng pound) của một inch khối vật liệu. Đối với t...
Xem thêmChúng tôi sẽ không bao giờ chia sẻ địa chỉ email của bạn và bạn
Có thể từ chối bất cứ lúc nào, chúng tôi hứa.