





Các ống lót khử bằng thép không gỉ cung cấp một phương tiện kết nối kích thước nhỏ hơn của ống dẫn với một cổng lắp ống dẫn lớn hơn. Điều này làm cho sự kết nối của các đường ống hoặc ống phù hợp cho các ứng dụng.
Họ có chủ đề nam ở bên ngoài và chủ đề nữ ở bên trong. Các ống lót giảm thép không gỉ có chất lượng cao và chống ăn mòn cho bất kỳ ứng dụng môi trường khắc nghiệt nào. Hiệu ứng đánh bóng sáng không chỉ làm tăng khả năng chống ăn mòn và tăng vẻ ngoài thẩm mỹ. Và cái đầu hình lục giác để tăng đòn bẩy và sử dụng với một cờ lê. Có thể được cài đặt bằng các dụng cụ cầm tay thông thường và yêu cầu ít bảo trì hoặc sửa chữa.
Trong kết nối đường ống, giảm ống lót là một vai trò không thể thay thế. Chúng có các tính năng của ngoại hình tốt, và cài đặt dễ dàng, bền và giá cả phải chăng. Và được sử dụng rộng rãi trong nước, dầu, khí đốt, ngành công nghiệp hóa chất, làm giấy, y học và các ngành công nghiệp khác.
Giới thiệu
| Tiêu chuẩn | ASME/ANSI B16.9, MSS SP-43, DIN 2605, JIS B2313 |
| Vật liệu | Thép không gỉ: ASTM A182 F304/ F304/ F316/ F316L/ F317/ 317L/ F321/ F310/ 347/904 Thép carbon: ASTM A105/A694 F42/46/52/56/60/65/70/A350 LF3/A350 LF2 |
| Bề mặt | Kích điện kẽm |
| Kiểu | lạnh làm phiền, quá trình hoàn thiện CNC |
| kích cỡ | 1/8 "-1½" |
| Thời gian giao hàng | Trong vòng 5-30 ngày sau khi nhận được tiền trả trước |
| Đóng gói | Polybag Pallet |
| Ứng dụng | Trạm điện, khí đốt, xử lý nước thải, công trình công cộng, hóa chất, làm giấy, dược phẩm, v.v. |
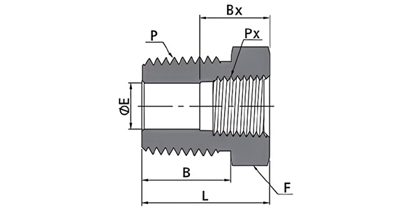
| Nam NPT đến chủ đề NPT nữ | ||||||
| P - npt Kích cỡ | PX- NPT Kích cỡ | Kích thước, trong (mm) | ||||
|
|
| L | F (hex) | B | BX | E |
| 1/8 | 1/16 | 1.03 (26.2) | 0,44 (11.1) | 0,38 (9,7) | 0,39 (9,9) | 0,19 (4,8) |
| 1/4 | 1/16 | 0,86 (21,8) | 0,56 (14.3) | 0,56 (14.2) | 0,39 (9,9) | 0,19 (4,8) |
| 1/4 | 1/8 | 1.06 (26.9) | 0,56 (14.3) | 0,56 (14.2) | 0,41 (10,4) | 0,28 (7.1) |
| 3/8 | 1/16 | 0,86 (21,8) | 0,69 (17,5) | 0,56 (14.2) | 0,39 (9,9) | 0,19 (4,8) |
| 3/8 | 1/8 | 0,86 (21,8) | 0,69 (17,5) | 0,56 (14.2) | 0,41 (10,4) | 0,34 (8,6) |
| 3/8 | 1/4 | 1.19 (30.2) | 0,75 (19.1) | 0,56 (14.2) | 0,59 (15.0) | 0,38 (9,6) |
| 1/2 | 1/8 | 1.08 (27.4) | 0,87 (22.2) | 0,75 (19.1) | 0,41 (10,4) | 0,34 (8,6) |
| 1/2 | 1/4 | 1.08 (27.4) | 0,87 (22.2) | 0,75 (19.1) | 0,59 (15.0) | 0,45 (11,4) |
| 1/2 | 3/8 | 1.41 (35,8) | 0,87 (22.2) | 0,75 (19.1) | 0,59 (15.0) | 0,47 (11,9) |
| 3/4 | 1/8 | 1.08 (27.4) | 1.06 (27.0) | 0,75 (19.1) | 0,41 (10,4) | 0,28 (7.1) |
| 3/4 | 1/4 | 1.08 (27.4) | 1.06 (27.0) | 0,75 (19.1) | 0,59 (15.0) | 0,45 (11,4) |
| 3/4 | 3/8 | 1.08 (27.4) | 1.06 (27.0) | 0,75 (19.1) | 0,59 (15.0) | 0,59 (15.0) |
| 3/4 | 1/2 | 1.63 (41.4) | 1.06 (27.0) | 0,75 (19.1) | 0,78 (19,8) | 0,62 (15,7) |
| 1 | 1/8 | 1.36 (34,5) | 1.37 (34,9) | 0,94 (23,9) | 0,41 (10,4) | 0,28 (7.1) |
| 1 | 1/4 | 1.37 (34,9) | 1.37 (34,9) | 0,94 (23,9) | 0,59 (15.0) | 0,45 (11,4) |
| 1 | 3/8 | 1.37 (34,9) | 1.37 (34,9) | 0,94 (23,9) | 0,59 (15.0) | 0,59 (15.0) |
| 1 | 1/2 | 1.37 (34,9) | 1.37 (34,9) | 0,94 (23,9) | 0,78 (19,8) | 0,73 (18,5) |
| 1 | 3/4 | 1,85 (47.0) | 1.37 (34,9) | 0,94 (23,9) | 0,81 (20,6) | 0,88 (22,4) |
| 1 1/4 | 3/4 | 1.47 (37.3) | 1,75 (44,5) | 0,94 (23,9) | 0,81 (20,6) | 0,88 (22,4) |
| 1 1/4 | 1 | 1.47 (37.3) | 1,75 (44,5) | 0,94 (23,9) | 1,00 (25.4) | 0,88 (22,4) |
| 1 1/2 | 1 | 1,58 (40.1) | 2,00 (50,8) | 1.03 (26.2) | 1,00 (25.4) | 0,88 (22,4) |
| 1 1/2 | 1 1/4 | 2.20 (56.0) | 2.13 (54.0) | 1.03 (26.2) | 1,00 (25.4) | 1.34 (34.0) |
Được thành lập vào năm 2007 và chuyển đến Khu phát triển kinh tế Longyou, tỉnh Chiết Giang, vào năm 2022. Nó có diện tích 130.000 mét vuông, hơn 30 dây chuyền sản xuất, 300 công nhân, 20 người R & D, 30 người kiểm tra và sản lượng hàng năm là 50.000 tấn.
Nó đã thông qua hệ thống quản lý chất lượng ISO9001: 2008, PED 97/23/EC Chứng nhận Chỉ thị Thiết bị áp lực EU, Giấy phép sản xuất thiết bị đặc biệt Trung Quốc (ống áp lực) Chứng nhận TS, Chứng nhận ASME, Hệ thống quản lý tiêu chuẩn hóa doanh nghiệp của tỉnh, Sổ đăng ký vận chuyển của Anh (LR), Deutsche Veritas (GL), Hiệp hội Veritas (BV) của Cục Veritas (BV), Det Norske Veritas (DNV) và Chứng nhận Nhà máy Đăng ký Vận chuyển (KR) của Hàn Quốc.
Các sản phẩm chính bao gồm ống thép không gỉ, phụ kiện đường ống, mặt bích, van, v.v., được sử dụng rộng rãi trong dầu mỏ, công nghiệp hóa học, công nghiệp hạt nhân, luyện kim, đóng tàu, dược phẩm, thực phẩm, bảo tồn nước, năng lượng điện, năng lượng mới, thiết bị cơ học, và các lĩnh vực khác. Công ty tuân thủ nguyên lý của công ty "Chất lượng sinh tồn, danh tiếng phát triển" và hết lòng phục vụ mọi khách hàng để tạo ra một tình huống có lợi.





Mật độ khối lượng của thép nhẹ: Cơ bản và tầm quan trọng thực tế Mật độ khối lượng của thép nhẹ là đặc tính cơ bản ảnh hưởng trực tiếp đến cách các kỹ sư và nhà thiết kế xác định kích thước các ...
Xem thêmGiới thiệu về vật liệu thép hợp kim thấp Vật liệu thép hợp kim thấp là loại thép có chứa một tỷ lệ nhỏ các nguyên tố hợp kim, thường dưới 8%, ngoài carbon. Các nguyên tố này, chẳng hạn như crom,...
Xem thêmTổng quan - "trọng lượng trên mỗi inch khối" nghĩa là gì đối với thép không gỉ "Trọng lượng trên mỗi inch khối" chỉ đơn giản là khối lượng (tính bằng pound) của một inch khối vật liệu. Đối với t...
Xem thêmChúng tôi sẽ không bao giờ chia sẻ địa chỉ email của bạn và bạn
Có thể từ chối bất cứ lúc nào, chúng tôi hứa.