





Giảm phụ kiện TEE là một thành phần thiết yếu trong các hệ thống ống nước, cung cấp một giải pháp liền mạch để chuyển dòng nước hoặc chất lỏng từ các đường ống lớn hơn sang các ống nhỏ hơn. Các phụ kiện này có các lỗ mở có kích thước khác nhau, với đầu vào trung tâm có đường kính lớn hơn hai ổ cắm bên.
Một trong những lợi thế chính của việc giảm phụ kiện TEE là tính linh hoạt của chúng. Họ tìm thấy các ứng dụng trong các ngành công nghiệp và hệ thống khác nhau, bao gồm các hệ thống bơm, hệ thống tinh khiết cao và đường dây phân phối. Cho dù đó là chỉ đạo cung cấp nước trong các tòa nhà dân cư hoặc tạo điều kiện thoát nước hiệu quả trong các cơ sở thương mại, việc giảm tees đóng một vai trò quan trọng.
Trong các hệ thống bơm, việc giảm các phụ kiện TEE đảm bảo các đường dẫn dòng chảy trơn tru mà không bị nhiễu loạn hoặc bẫy. Điều này giúp duy trì hiệu suất bằng cách giảm thiểu giảm áp lực và ngăn chặn mọi sự gián đoạn có thể ảnh hưởng đến hiệu quả chung của hệ thống. Ngoài ra, các phụ kiện này được thiết kế để xử lý các loại chất lỏng khác nhau như chất thải, cung cấp nước, khí đốt và dầu.
Các vật liệu xây dựng được sử dụng để giảm phụ kiện TEE khác nhau tùy thuộc vào các yêu cầu cụ thể. Các tùy chọn phổ biến bao gồm thép không gỉ cho các đặc tính chống ăn mòn và độ bền hoặc PVC (polyvinyl clorua) để có khả năng chi trả và dễ lắp đặt.
Khi nói đến việc cài đặt, các chuyên gia cẩn thận chọn kích thước phù hợp dựa trên kích thước ống để đảm bảo khả năng tương thích và tối đa hóa chức năng. Tees giảm được cài đặt đúng cách cung cấp các kết nối đáng tin cậy nhằm giảm thiểu rò rỉ trong khi duy trì dòng chất lỏng nhất quán trong toàn bộ hệ thống.
Nhìn chung, việc giảm phụ kiện TEE cung cấp một giải pháp hiệu quả để chuyển hướng các luồng chất lỏng trong mạng ống nước. Khả năng phù hợp với kích thước đường ống khác nhau khiến chúng không thể thiếu các thành phần trong nhiều ngành công nghiệp nơi quản lý chất lỏng hiệu quả là tối quan trọng.
Giới thiệu
| Giảm tee | |
| Mục | Thép không gỉ giảm tee |
| Tiêu chuẩn | ASTM A312, ANSI B16.9, EN, GB, DIN, GOST, JIS304/304, v.v. |
| Vật liệu | 304 316 304L 321 2205 2520 904L/Tùy chỉnh |
| Bề mặt | Nóng nhúng mạ kẽm, mạ kẽm điện phân, thành phẩm tự nhiên, màu đen hóa học, mạ kẽm, vv |
| Kiểu | Giả mạo |
| kích cỡ | DN600-700, kích thước tùy chỉnh |
| Thời gian giao hàng | Trong vòng 5-30 ngày sau khi nhận được tiền trả trước |
| Đóng gói | Mỗi mảnh được bọc bằng màng nhựa và sau đó được đóng gói với một pallet bằng gỗ hoặc vỏ gỗ. |
| Ứng dụng | Các đường ống chất lỏng áp suất thấp và trung bình, nồi hơi, công nghiệp dầu khí và khí đốt tự nhiên, khoan, ngành công nghiệp hóa chất, công nghiệp điện, đóng tàu, thiết bị phân bón và đường ống, cấu trúc, hóa dầu, ngành công nghiệp dược phẩm, vv |
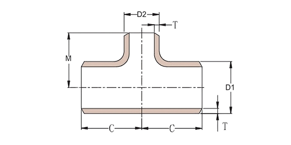
| Đường kính danh nghĩa | Đường kính bên ngoài | Trung tâm để kết thúc | |||
| DN | NPS | D1 | D2 | C | M |
| 600 × 600 × 450 | 24 × 24 × 18 | 630 | 480 | 432 | 419 |
| 600 × 600 × 400 | 24 × 24 × 16 | 630 | 426 | 432 | 406 |
| 600 × 600 × 350 | 24 × 24 × 14 | 630 | 377 | 432 | 406 |
| 600 × 600 × 300 | 24 × 24 × 12 | 630 | 325 | 432 | 397 |
| 600 × 600 × 250 | 24 × 24 × 10 | 630 | 273 | 432 | 384 |
| 700 × 700 × 600 | 28 × 28 × 24 | 720 | 630 | 521 | 508 |
| 700 × 700 × 500 | 28 × 28 × 20 | 720 | 529 | 521 | 483 |
| 700 × 700 × 450 | 28 × 28 × 18 | 720 | 478 | 521 | 470 |
| 700 × 700 × 400 | 28 × 28 × 16 | 720 | 426 | 521 | 457 |
| 700 × 700 × 350 | 28 × 28 × 14 | 720 | 377 | 521 | 457 |
| 700 × 700 × 300 | 28 × 28 × 12 | 720 | 325 | 521 | 448 |
Thành phần hóa học
| Cấp | C ≤ | Si ≤ | Mn | P | S ≤ | Ni | Cr |
| 201 | 0.12 | 0.75 | 7 | 0.045 | 0.045 | 1,00-1,28 | 13,70-15.70 |
| 202 | 0.15 | 1 | 2.25 | 0.045 | 0.045 | 4.07-4,17 | 14.00-16.00 |
| 304 | 0.08 | 0.75 | 2 | 0.045 | 0.03 | 8,00-11,00 | 18.00-20.00 |
| 304L | 0.035 | 0.75 | 2 | 0.045 | 0.03 | 8,00-13,00 | 18.00-20.00 |
| 309 | 0.15 | 0.75 | 2 | 0.045 | 0.03 | 12.00-15.00 | 22.00-24.00 |
| 310s | 0.08 | 1.5 | 2 | 0.045 | 0.03 | 19.00-22.00 | 24.00-26.00 |
| 316 | 0.08 | 1 | 2 | 0.045 | 0.03 | 10,00-14,00 | 16.00-18.00 |
| 316L | 0.035 | 0.75 | 2 | 0.045 | 0.03 | 10,00-15.00 | 16.00-18.00 |
| 321 | 0,04-0.10 | 0.75 | 2 | 0.045 | 0.03 | 9.00-13.00 | 17.00-20.00 |
| 405 | 0.08 | 0.75 | 1 | 0.045 | 0.03 | 0.06 | 11,5-13,5 |
| 409 | 0.089 | 1 | 1 | 0.045 | 0.05 | 0.06 | 10,50-11,75 |
| 410 | 0.15 | 0.75 | 1 | 0.045 | 0.03 | 0.06 | 11,5-13,5 |
| 420 | 0,16-0,25 | 1 | 1 | 0.04 | 0.03 | 0.06 | 12.00-14,00 |
| 430 | 0.12 | 0.75 | 1 | 0.045 | 0.03 | 0.06 | 16.00-18.00 |
| 904l | 0.02 | 1 | 2 | 0.045 | 0.03 | 23.00-28.00 | 19.00-23.00 |
Được thành lập vào năm 2007 và chuyển đến Khu phát triển kinh tế Longyou, tỉnh Chiết Giang, vào năm 2022. Nó có diện tích 130.000 mét vuông, hơn 30 dây chuyền sản xuất, 300 công nhân, 20 người R & D, 30 người kiểm tra và sản lượng hàng năm là 50.000 tấn.
Nó đã thông qua hệ thống quản lý chất lượng ISO9001: 2008, PED 97/23/EC Chứng nhận Chỉ thị Thiết bị áp lực EU, Giấy phép sản xuất thiết bị đặc biệt Trung Quốc (ống áp lực) Chứng nhận TS, Chứng nhận ASME, Hệ thống quản lý tiêu chuẩn hóa doanh nghiệp của tỉnh, Sổ đăng ký vận chuyển của Anh (LR), Deutsche Veritas (GL), Hiệp hội Veritas (BV) của Cục Veritas (BV), Det Norske Veritas (DNV) và Chứng nhận Nhà máy Đăng ký Vận chuyển (KR) của Hàn Quốc.
Các sản phẩm chính bao gồm ống thép không gỉ, phụ kiện đường ống, mặt bích, van, v.v., được sử dụng rộng rãi trong dầu mỏ, công nghiệp hóa học, công nghiệp hạt nhân, luyện kim, đóng tàu, dược phẩm, thực phẩm, bảo tồn nước, năng lượng điện, năng lượng mới, thiết bị cơ học, và các lĩnh vực khác. Công ty tuân thủ nguyên lý của công ty "Chất lượng sinh tồn, danh tiếng phát triển" và hết lòng phục vụ mọi khách hàng để tạo ra một tình huống có lợi.





Mật độ khối lượng của thép nhẹ: Cơ bản và tầm quan trọng thực tế Mật độ khối lượng của thép nhẹ là đặc tính cơ bản ảnh hưởng trực tiếp đến cách các kỹ sư và nhà thiết kế xác định kích thước các ...
Xem thêmGiới thiệu về vật liệu thép hợp kim thấp Vật liệu thép hợp kim thấp là loại thép có chứa một tỷ lệ nhỏ các nguyên tố hợp kim, thường dưới 8%, ngoài carbon. Các nguyên tố này, chẳng hạn như crom,...
Xem thêmTổng quan - "trọng lượng trên mỗi inch khối" nghĩa là gì đối với thép không gỉ "Trọng lượng trên mỗi inch khối" chỉ đơn giản là khối lượng (tính bằng pound) của một inch khối vật liệu. Đối với t...
Xem thêmChúng tôi sẽ không bao giờ chia sẻ địa chỉ email của bạn và bạn
Có thể từ chối bất cứ lúc nào, chúng tôi hứa.